Tài liệu kỹ thuật đầy đủ 4 hệ cửa nhôm slim Heckler: lùa AHL14, mở quay AHL16, xếp gấp AHL37 và tàng hình AHL25. Bao gồm mặt cắt profile, bản vẽ chi tiết từng cấu hình cánh — phục vụ kiến trúc sư, nhà thầu và chủ đầu tư.
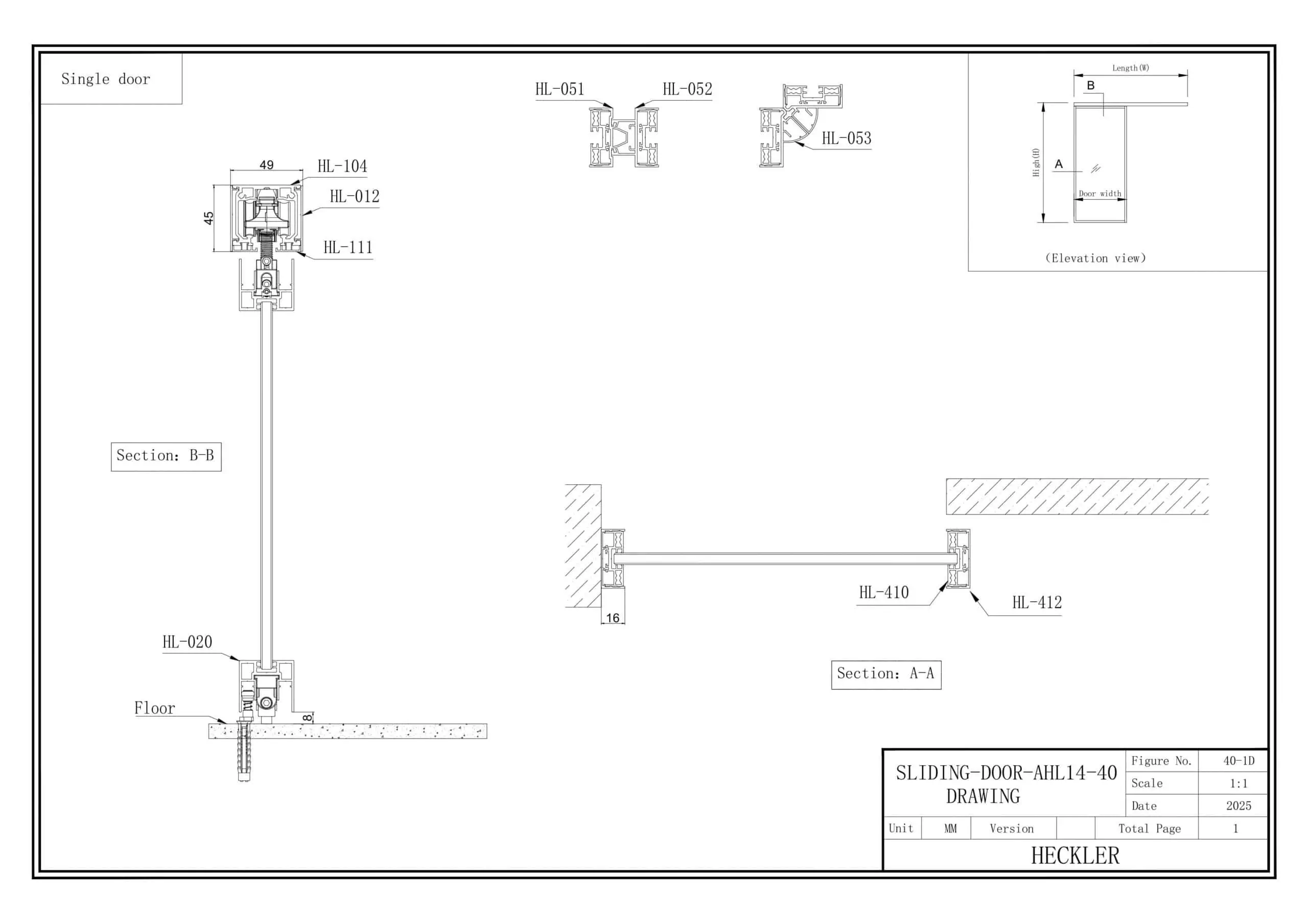
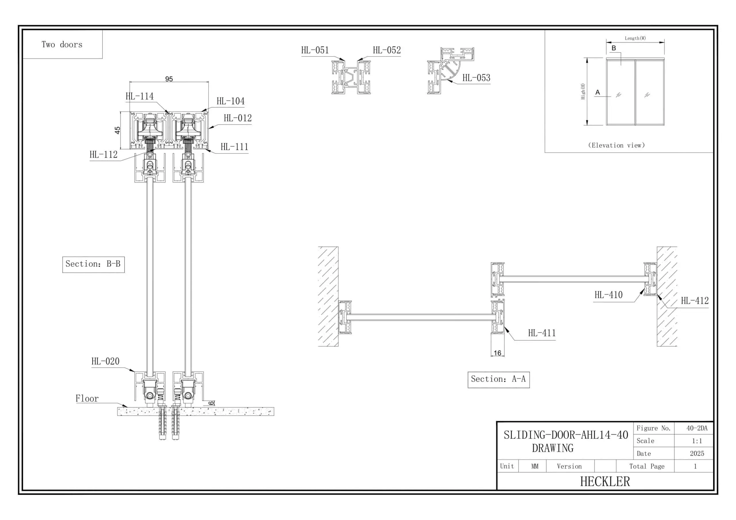
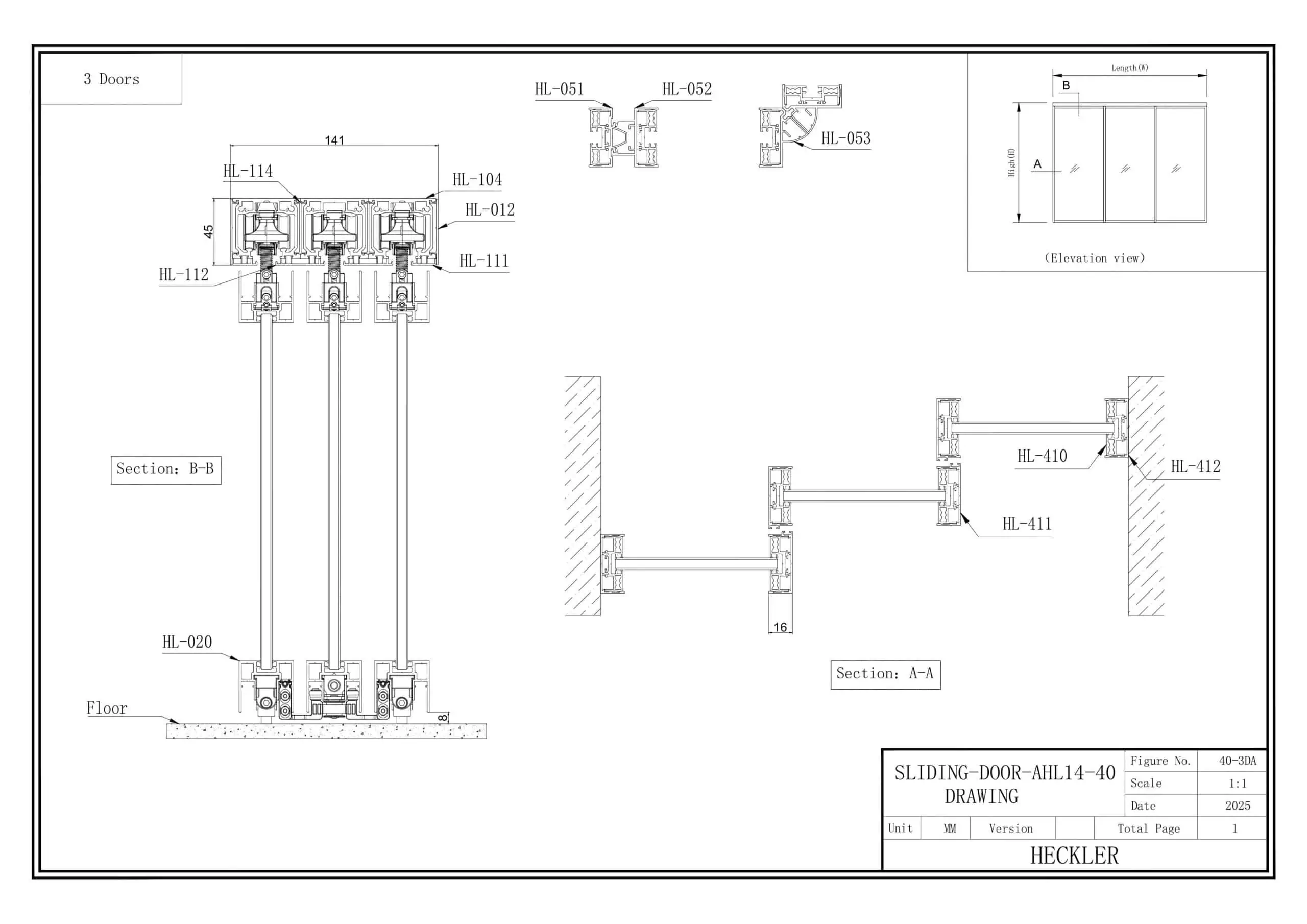
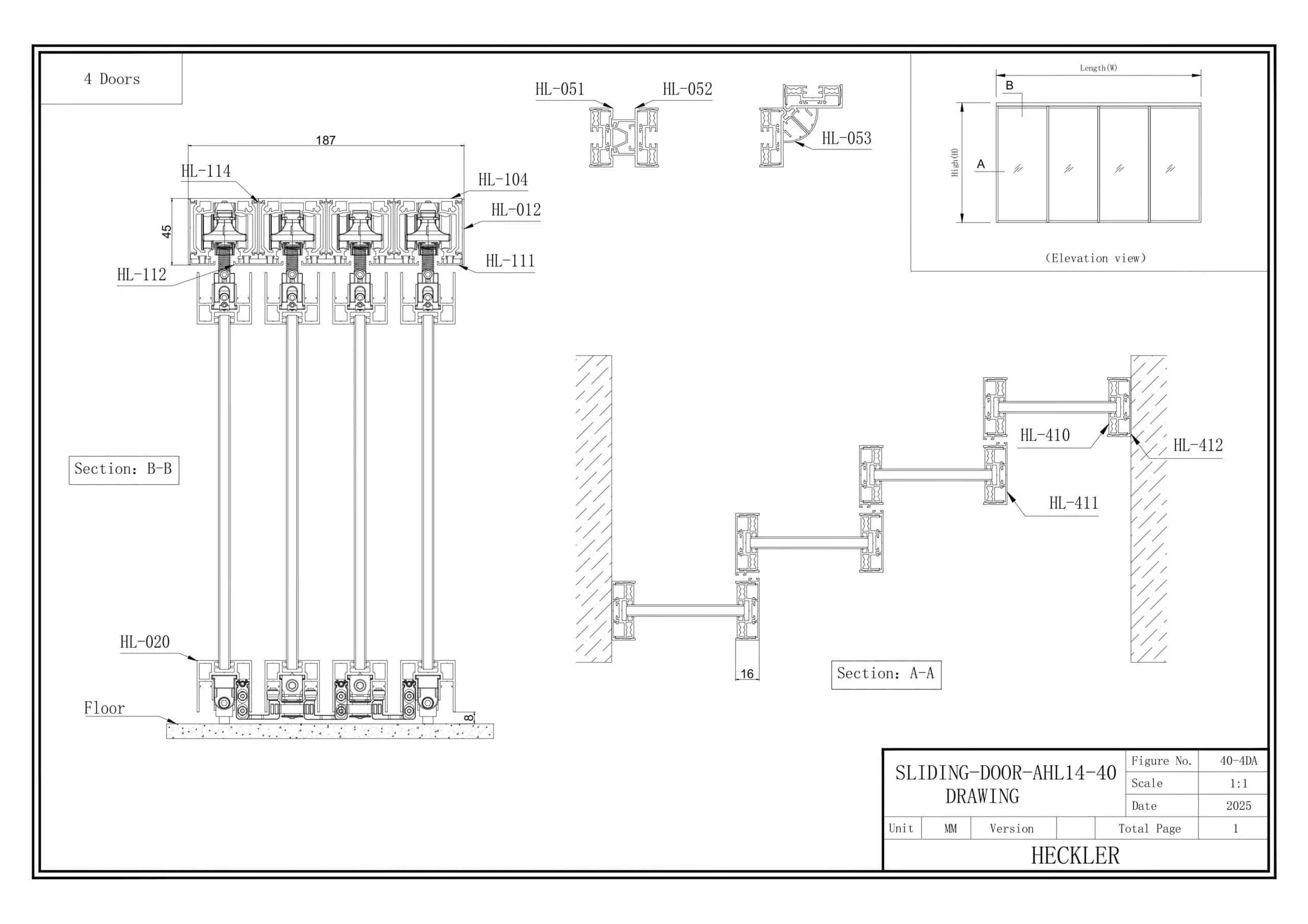
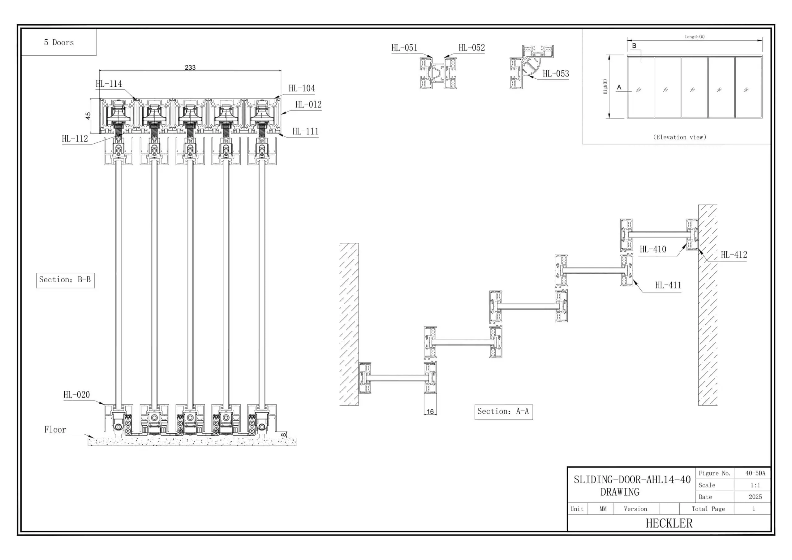
1. Hệ cửa lùa trượt slim AHL14
Ảnh mặt cắt nhôm cửa lùa slim






Download: Bản vẽ kỹ thuật AHL14
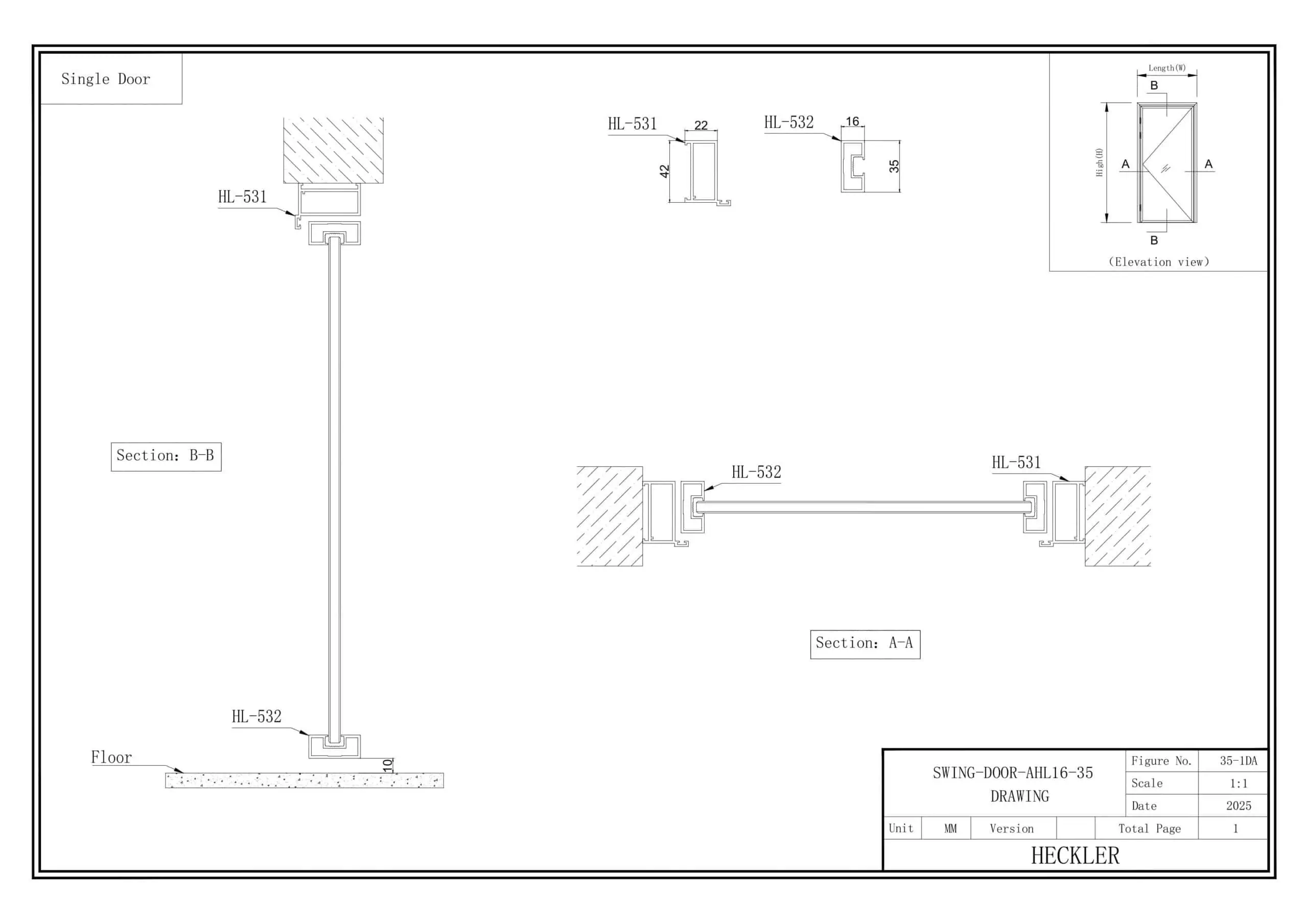
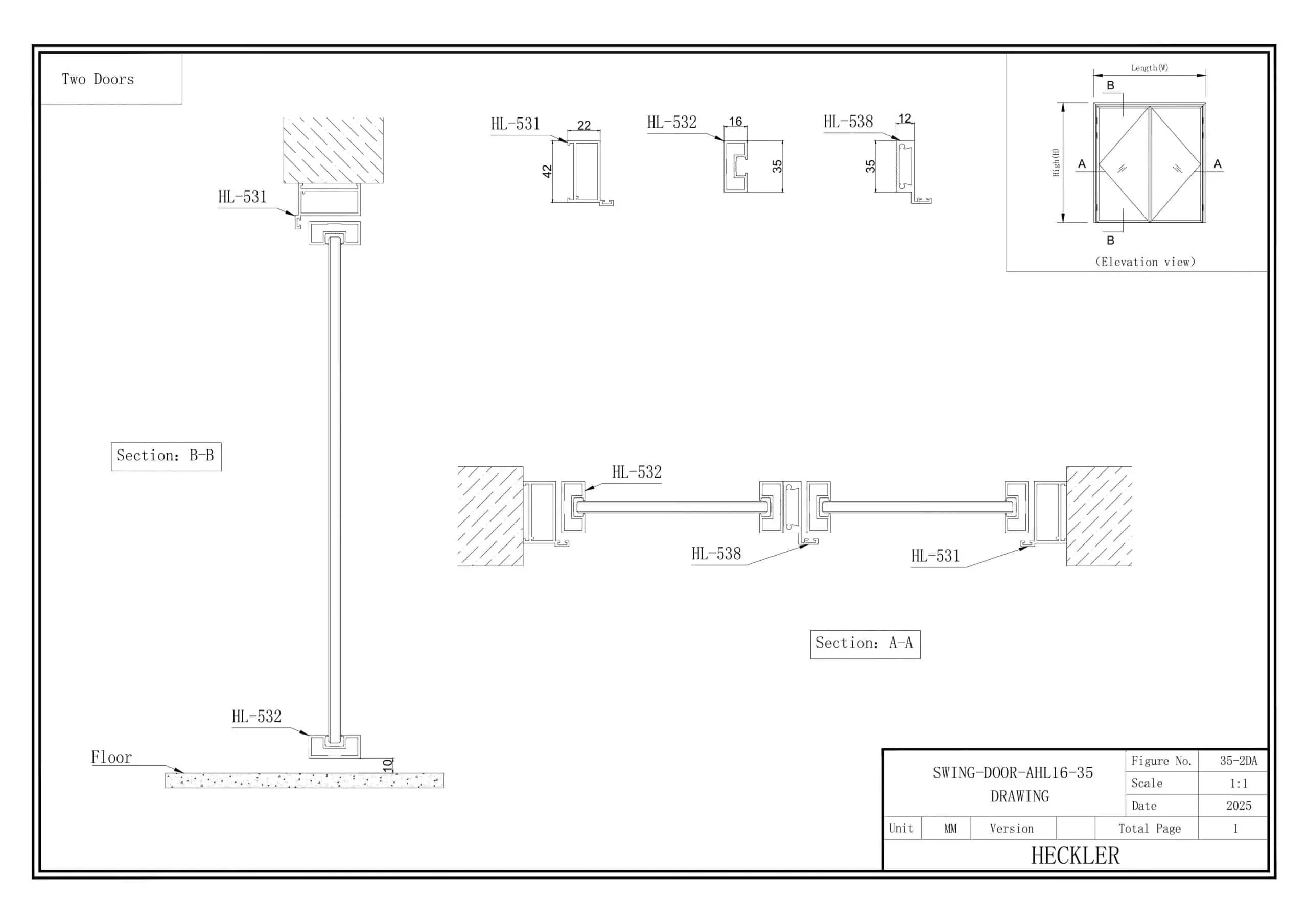
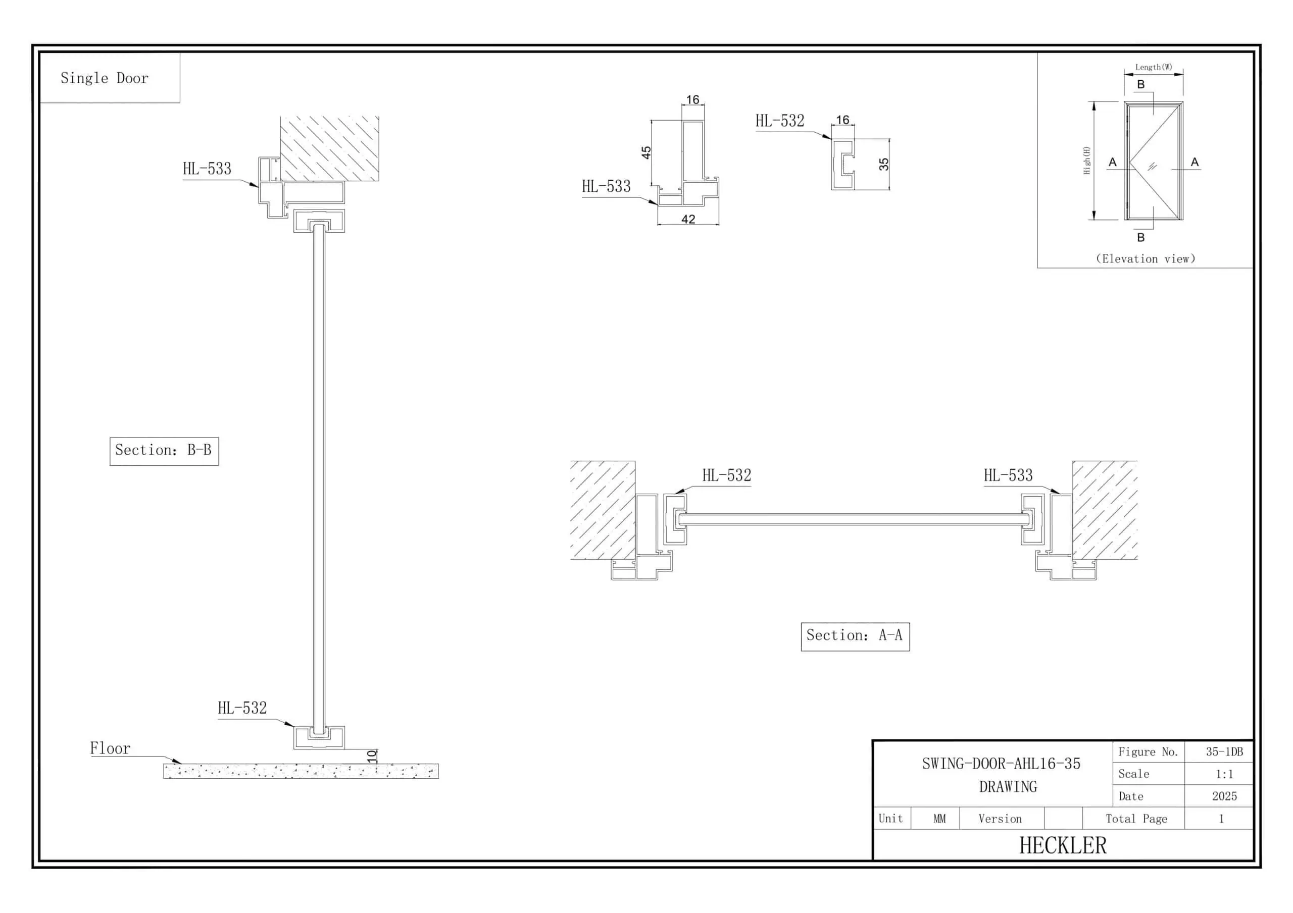
2. Hệ cửa mở quay slim AHL16
Ảnh mặt cắt nhôm cửa slim mở quay





Download: Bản vẽ kỹ thuật AHL16
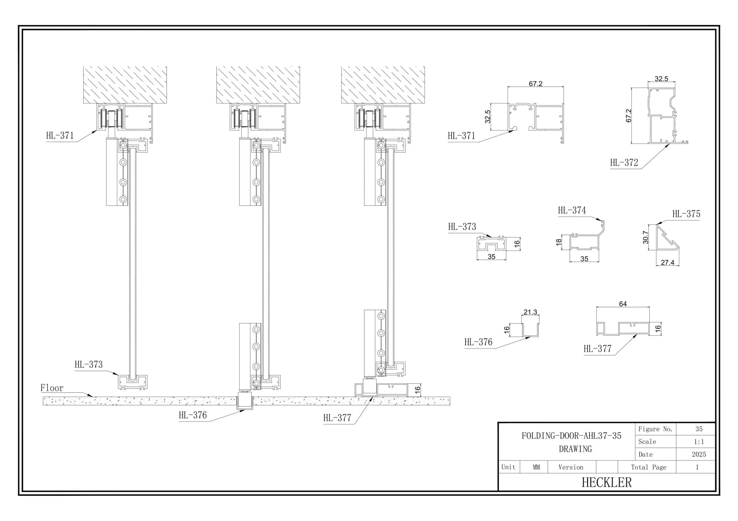
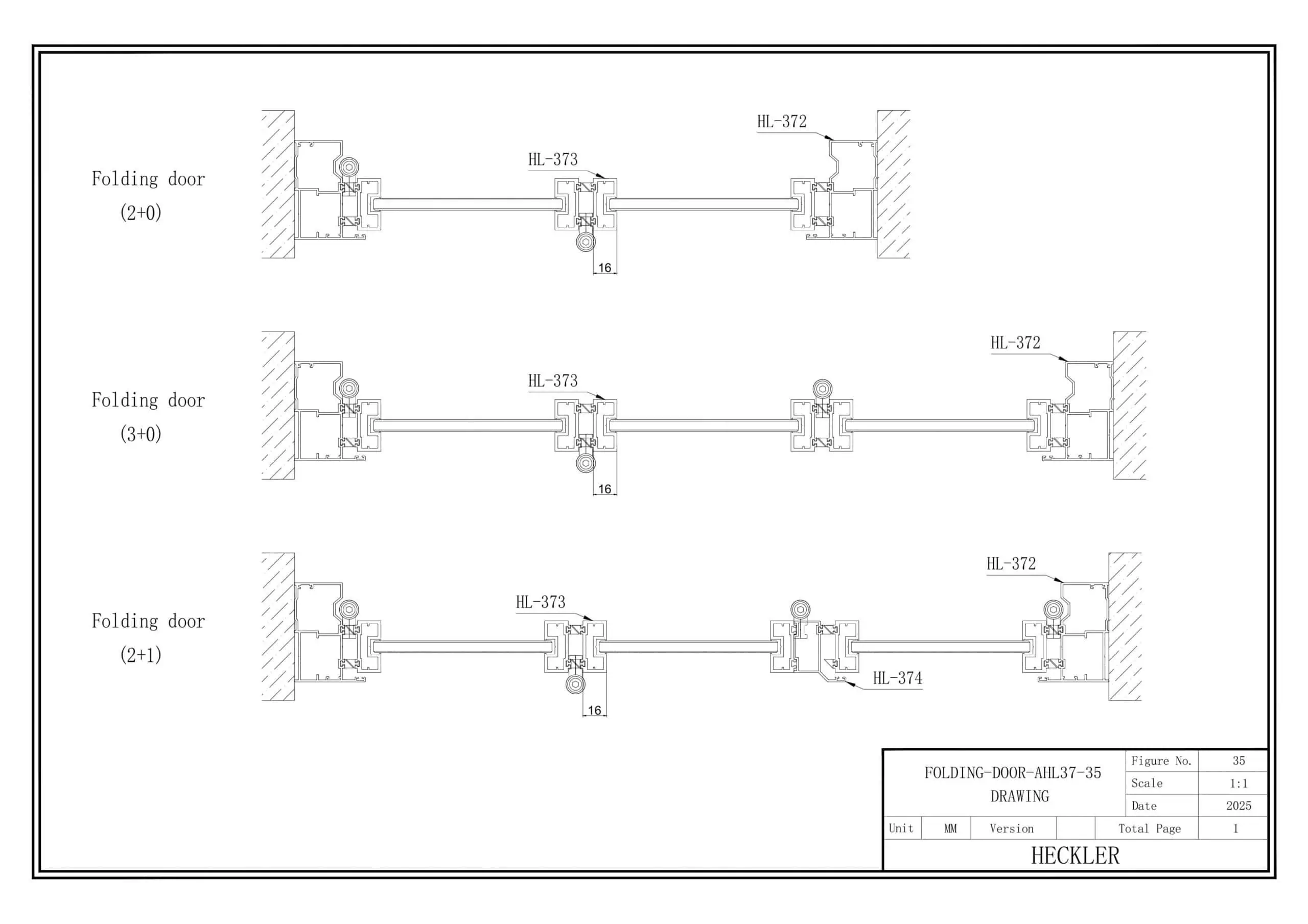
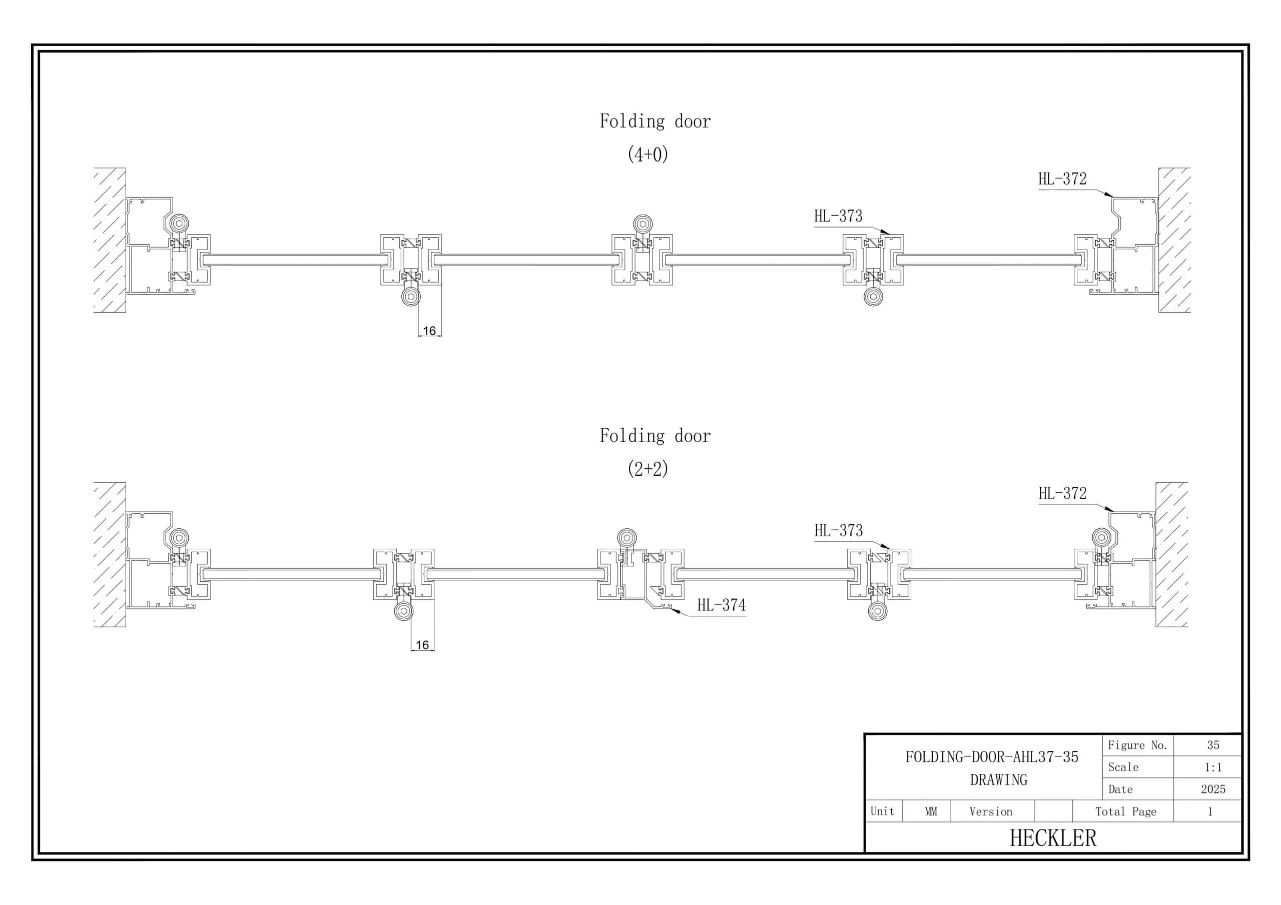
3. Hệ cửa xếp gấp slim AHL37
Ảnh mặt cắt nhôm cửa slim xếp gấp



Download: Bản vẽ kỹ thuật AHL37
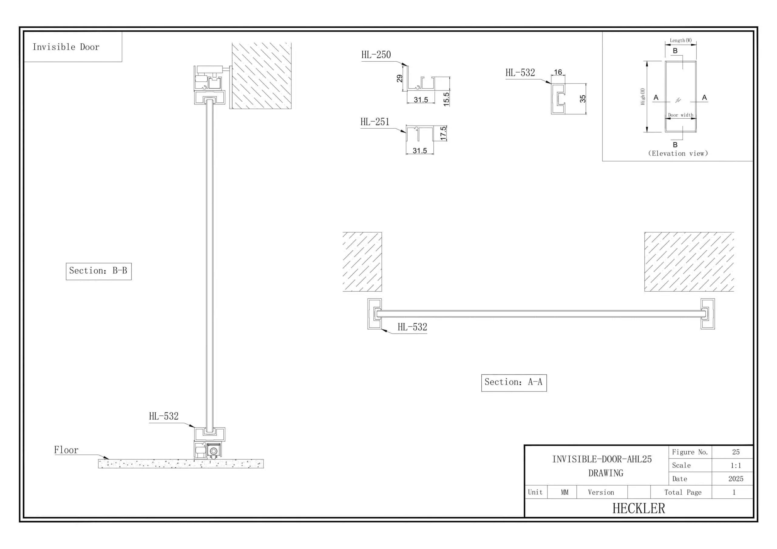
4. Hệ cửa lùa tàng hình bóng ma AHL25
Ảnh mặt cắt nhôm cửa lùa tàng hình

Download: Bản vẽ kỹ thuật AHL25